Поиск по каталогу
искать в найденном
Каталог товаров
Системы видеонаблюдения
Системы контроля доступа
Smartec
Программное обеспечение
Контроллеры СКУД и аксессуары
Терминалы учета рабочего времени
Контроль маршрутов
Домофоны
Автономные контроллеры
Считыватели и идентификаторы
Турникеты и аксессуары
Металлодетекторы
Шлагбаумы и аксессуары
Блокираторы и аксессуары
Электромагнитные замки
Электрозащелки
Электромеханические накладные замки
Электромеханические врезные замки
Доводчики
Кнопки выхода и аксессуары
Устройства беспроводного управления
Устройства разблокировки дверей
Электромагнитные фиксаторы дверей и аксессуары
Блоки питания и модули расширения
Аккумуляторы
Кабелепереходы
Оповещатели
Извещатели
Извещатели охраны периметра
ПИК-извещатели
Извещатели магнитоконтактные
Акова
PERCo
Системы электропитания
Системы периметральной сигнализации
Программное обеспечение
Платежно-пропускные системы
Системы борьбы с насекомыми
РАСПРОДАЖА!!!
Документация
Глоссарий
Каталоги
Каталог CCTV Smartec 2024


 
Каталог СКУД Smartec 2024



Каталог Alteron 2023





ST-DM030NCNO-BR
Главная / Системы контроля доступа / Smartec / Извещатели / Извещатели магнитоконтактные


ST-DM030NCNO-BR
ST-DM030NCNO-BR

ST-DM030NCNO-BR

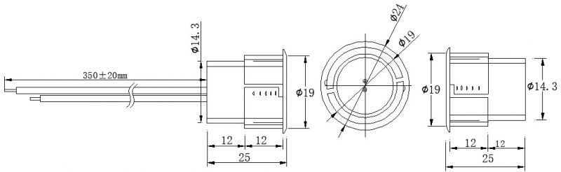
Извещатель магнитоконтактный

Извещатель магнитоконтактный ST-DM030NCNO-BR предназначен для контроля положения различных строительных конструкций (дверей, окон, люков, ворот и т.д.). Данное устройство может использоваться в системах охранной сигнализации или контроля и управления доступом.
  • Подходит для металлических или металлопластиковых конструкций
  • Врезной тип установки
  • Кабельный отвод для подключения
Версия для печати